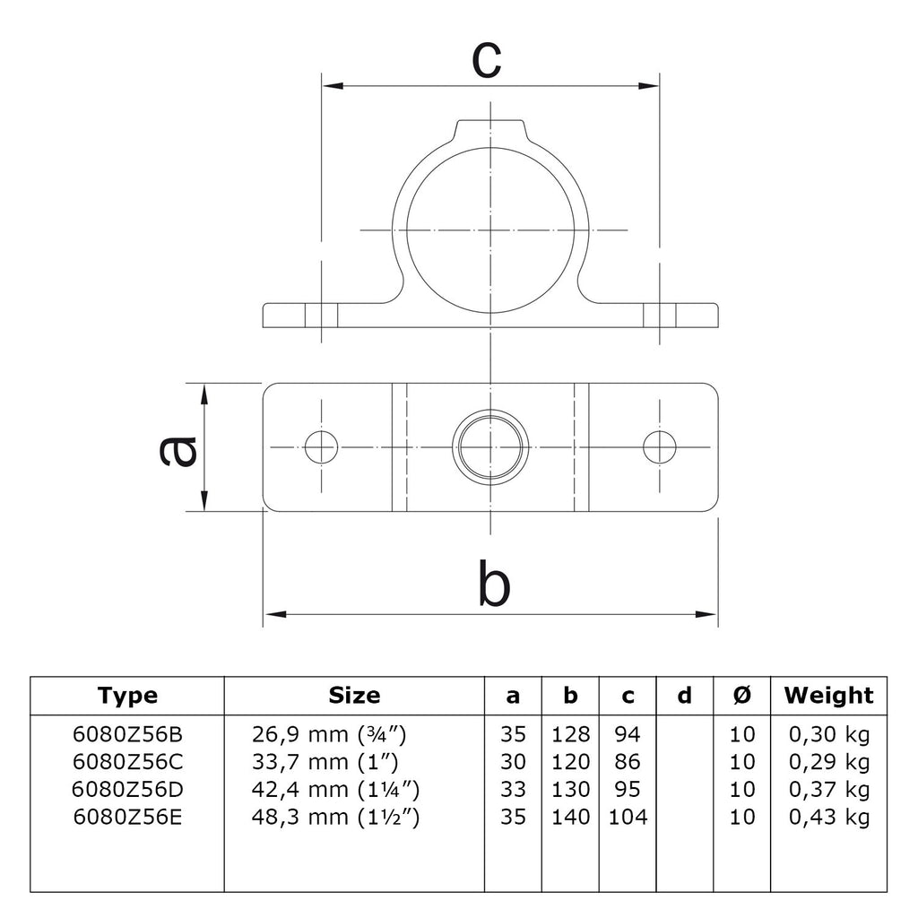
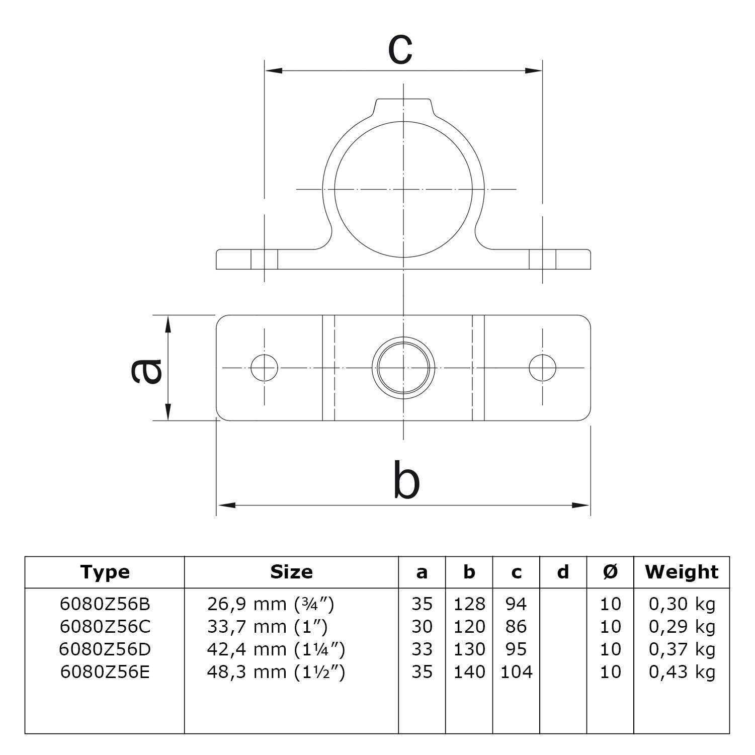
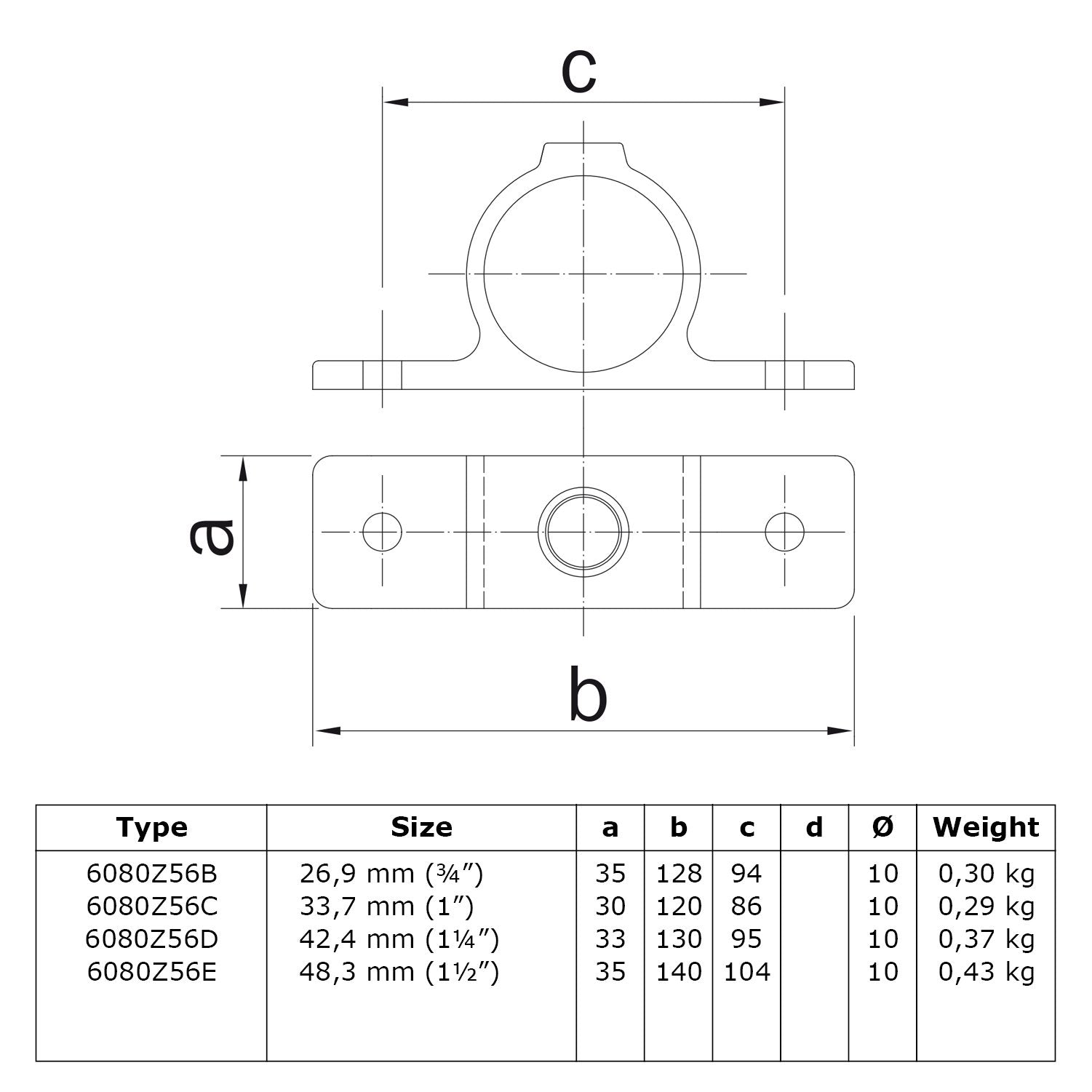
De dubbele bevestigingsring is voorzien van twee montage-lippen in één vlak en wordt gebruikt om plaatmateriaal stevig aan een steigerbuis te bevestigen. Hierdoor ontstaat een groter draagvlak en extra stabiliteit ten opzichte van de enkele uitvoering.
Deze koppeling wordt toegepast bij onder andere tafels, kasten en stellingen waar een paneel of blad stevig gefixeerd moet worden. Het blad of de plank dient dan aan beide kanten van de buis uit te steken voor montage. Ook kan deze dubbele uitvoering worden gebruikt om een buis direct tegen een wand te monteren. Indien een grotere afstand tot de wand gewenst is, is een leuningdrager een geschiktere oplossing.
Afwerking: Zwarte KTL coating RAL9005
Deze zwarte buiskoppeling is voorzien van een KTL-coating met structuur in RAL9005. Deze elektrostatisch aangebrachte coating zorgt voor een strak en industrieel uiterlijk. De coating biedt bescherming voor gebruik binnenshuis. Voor permanente buitentoepassingen adviseren wij thermisch verzinkte koppelingen, of koppelingen met poedercoating (zoals ons outdoor en vintage assortiment) aangezien langdurige blootstelling aan vocht roestvorming kan veroorzaken.
Montage met stelschroef
Onze buiskoppelingen worden gemonteerd door de stelschroef (standaard inbegrepen) vast te draaien tegen de buis. Dankzij dit slimme klemsysteem ontstaat een veilige, slipvrije verbinding tussen buis en koppeling met een maximale schuifbelasting tot wel 900 kg. Met slechts een inbussleutel zet je de steigerbuis eenvoudig en stevig vast. Handvast aandraaien is al voldoende (gebruik je een momentsleutel, stel deze dan in op maximaal 39 Nm), gebruik wel de juiste maat inbussleutel om beschadiging van de kop te voorkomen. De juiste inbussleutels bestel je eenvoudig mee.
Welke maat buiskoppeling heb je nodig?
De maat die bij een buiskoppeling vermeld staat, verwijst altijd naar de buitendiameter van de buis waarvoor deze geschikt is. De koppeling zelf is bewust iets ruimer geproduceerd, zodat ook buizen met kleine productietoleranties perfect passen. Door het stelschroefsysteem wordt de buis stevig geklemd en ontstaat een sterke en betrouwbare constructie.
Materiaal en productienorm
Wij kiezen voor kwaliteit en daarom worden onze buiskoppelingen gemaakt van hoogwaardig nodulair gietijzer volgens EN 1562 en materiaalsoort KTH350-10. Dit type gietijzer staat bekend om zijn hoge treksterkte en slagvastheid, waardoor het uitstekend geschikt is voor dragende constructies. In tegenstelling tot standaard staal biedt nodulair gietijzer een optimale combinatie van sterkte, duurzaamheid en maatvastheid. Hierdoor zijn onze steigerbuis koppelingen geschikt voor zowel lichte als zware toepassingen.
Kwaliteit
Al onze buiskoppelingen worden geproduceerd naar strenge productienormen en kwaliteitscontroles. Hierdoor bieden onze buiskoppelingen sterke en betrouwbare verbindingen tussen steigerbuizen. Voor vrijwel alle gangbare constructies zijn deze koppelingen ruim voldoende belastbaar en veilig in gebruik. Meer weten over onze buiskoppelingen? Lees onze blog Alles over buiskoppelingen.
Vergelijkbare artikelnummers:
Dit product is vergelijkbaar met of een alternatief voor de volgende artikelnummers:
- Z56B (Type)
- BL198-A27 (Tubeclamps)