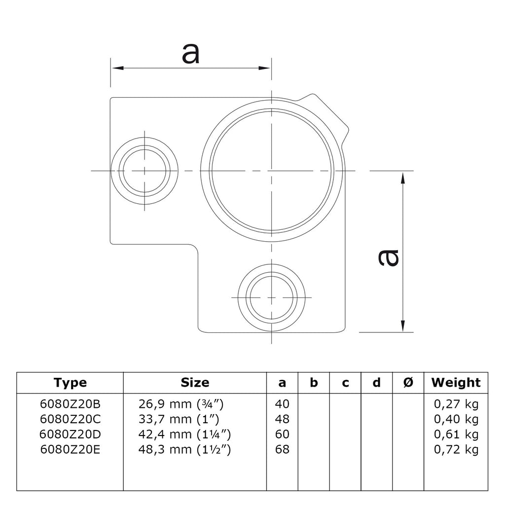
Hoekstuk 90° wordt gebruikt voor hoekverbindingen van 90 graden met drie buizen.
In tegenstelling tot de kniestuk 3-weg is het bij deze koppeling mogelijk om 1 buis door te laten lopen door de koppeling.
Deze koppeling wordt veelgebruik om een hoek in de tussenreling van relingwerk te maken en wordt vaak in combinatie met Kniestuk 3-Weg gebruikt. Ook is de koppeing zeer geschikt voor de hoeken van stellingen of tafelframes van steigerbuis.
Het is niet mogelijk om in de koppeling 2 buizen aan elkaar te bevestigen als doorlopende buis.
Montage met stelschroef
De meegeleverde stelschroef (inbusbout) maakt montage van een buiskoppeling eenvoudig. Een inbussleutel is het enige gereedschap dat je nodig hebt om de steigerbuis stevig vast te zetten. Met de hand aandraaien is voldoende (gebruik je een momentsleutel, stel deze dan in op 39 Nm). Gebruik altijd de juiste maat inbussleutel om beschadiging te voorkomen. Inbussleutels bestel je eenvoudig mee.
Welke maat buiskoppeling heb ik nodig?
De maat die bij een buiskoppeling vermeld staat, is altijd de buitendiameter van de buis waarvoor deze bedoeld is. De koppeling zelf is bewust 1–2 mm groter geproduceerd, zodat ook buizen met kleine afwijkingen perfect passen. Dankzij het slimme stelschroef-systeem zit de buis altijd stevig en veilig vast.
Kwaliteit
Zwarte buiskoppelingen worden met een sterke, stootbestendige coating afgewerkt. Deze geeft een strak en industrieel uiterlijk en beschermt de koppeling bij normaal gebruik. Houd er wel rekening mee dat bij blootstelling aan regen of vocht roest kan ontstaan. Daarom adviseren wij zwarte koppelingen vooral voor binnentoepassingen.
Een deel van onze buiskoppelingen, waaronder dit product, is TÜV SÜD gecertificeerd. Dit internationale keurmerk bevestigt dat de koppeling voldoet aan strenge kwaliteitseisen, het certificaat geeft daarnaast inzicht in de maximale buiglast (bending load) en treklast (tensile load) van de koppeling, uitgedrukt in kiloNewton. Zo weet je precies welke krachten de verbinding aankan.
Meer weten over buiskoppelingen? Lees dan onze blog Alles over buiskoppelingen.
Zoekwoord(en): Hoek, Hoekverbinding
Ook bekend met nummer:
Z20B (Type)
116A (Tubeclamps NL)