Het klapbare kruisstuk 90° wordt gebruikt om twee steigerbuizen haaks (90°) met elkaar te verbinden, waarbij beide buizen doorlopend blijven en elkaar kruisen zonder onderbreking. Hierdoor blijven zaagkosten beperkt en wordt de constructieve sterkte behouden.
Dankzij het klapbare ontwerp kan deze koppeling eenvoudig op een bestaande constructie worden gemonteerd, zonder dat de buizen volledig gedemonteerd hoeven te worden.
Deze uitvoering wordt veel toegepast in stellingkasten, frames, hekwerken en relingconstructies waar een stabiele kruising van buizen nodig is.
Montage met stelschroef
Deze buiskoppeling wordt gemonteerd met een meegeleverde stelschroef (inbusbout). Dankzij het slimme klemsysteem ontstaat een veilige, slipvrije verbinding tussen buis en koppeling met een maximale schuifbelasting tot wel 900 kg. Met een inbussleutel zet je de steigerbuis eenvoudig en stevig vast. Handvast aandraaien is voldoende (gebruik je een momentsleutel, stel deze dan in op maximaal 39 Nm). Gebruik altijd de juiste maat inbussleutel om beschadiging van de kop te voorkomen. De juiste inbussleutels bestel je eenvoudig mee.
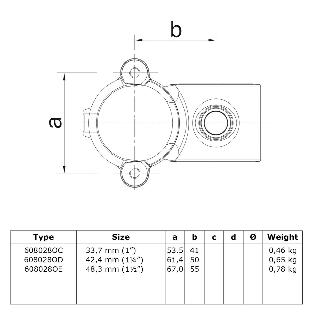
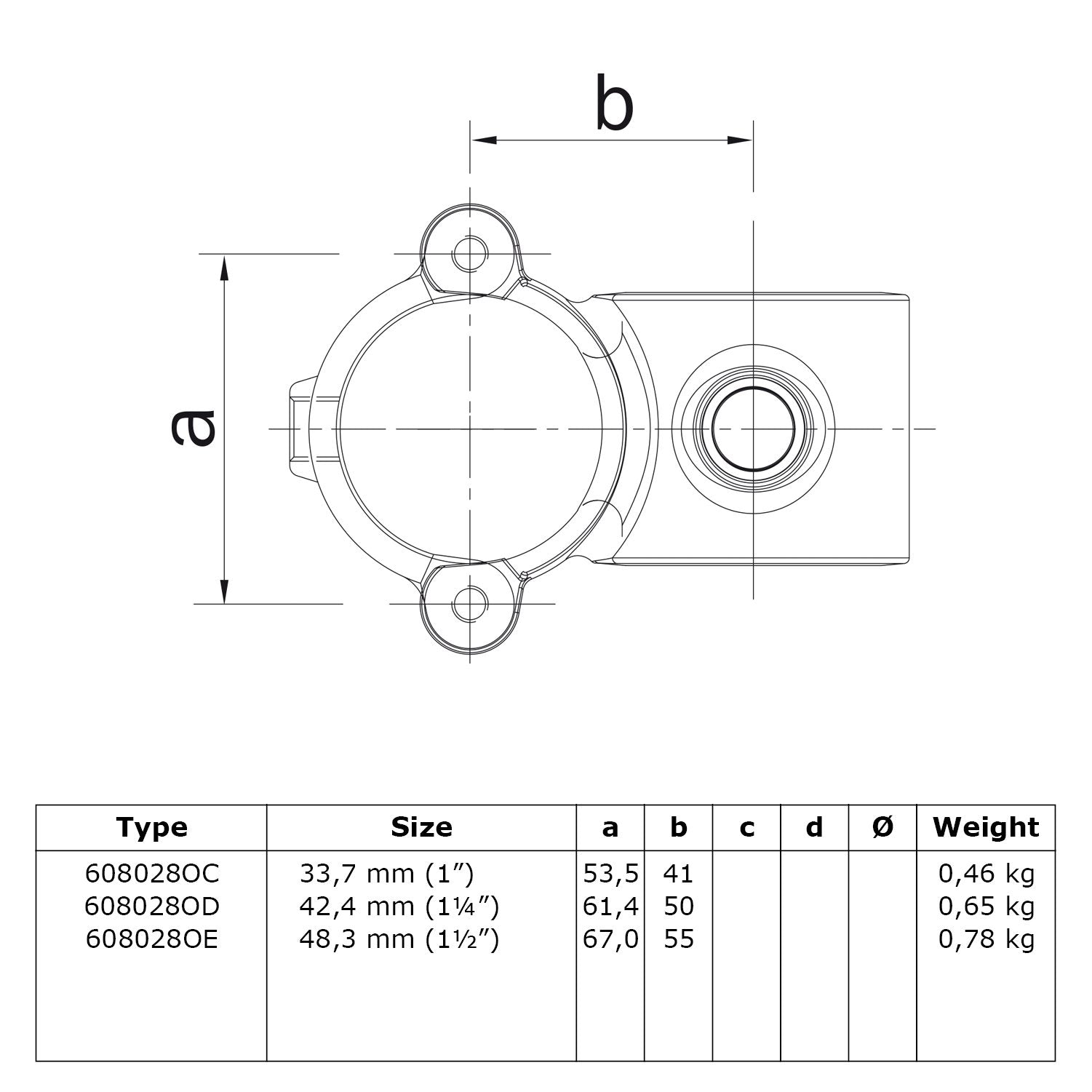
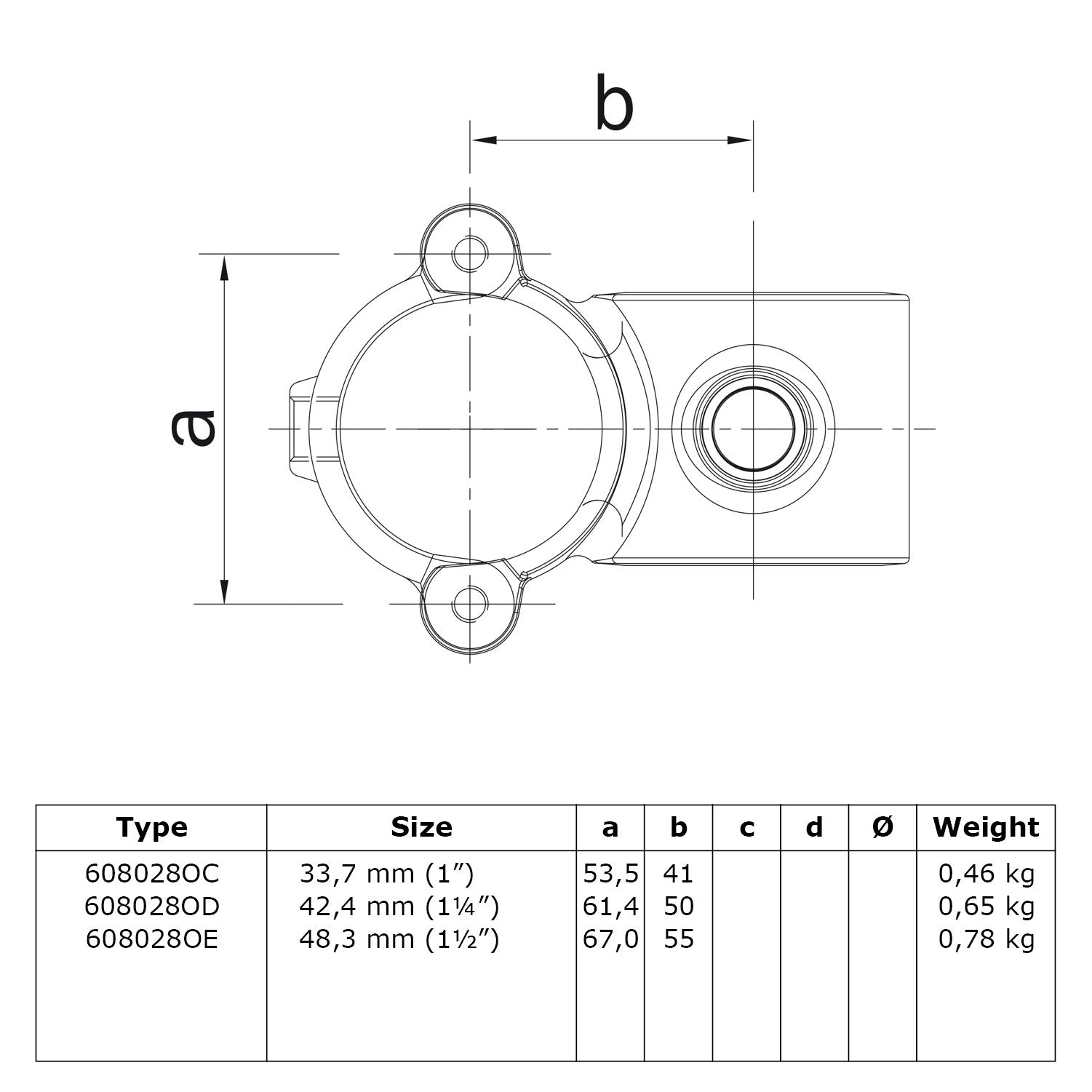
Welke maat buiskoppeling heb je nodig?
De maat die bij een buiskoppeling vermeld staat, verwijst altijd naar de buitendiameter van de buis waarvoor deze geschikt is. De koppeling zelf is bewust iets ruimer geproduceerd, zodat ook buizen met kleine productietoleranties perfect passen. Door het stelschroefsysteem wordt de buis stevig geklemd en ontstaat een sterke en betrouwbare constructie.
Materiaal en productienorm
Wij kiezen voor kwaliteit en daarom worden onze buiskoppelingen gemaakt van hoogwaardig nodulair gietijzer volgens EN 1562 en materiaalsoort KTH350-10. Dit type gietijzer staat bekend om zijn hoge treksterkte en slagvastheid, waardoor het uitstekend geschikt is voor dragende constructies. In tegenstelling tot standaard staal biedt nodulair gietijzer een optimale combinatie van sterkte, duurzaamheid en maatvastheid. Hierdoor zijn onze steigerbuis koppelingen geschikt voor zowel lichte als zware toepassingen.
Afwerking: thermisch verzinkt (ISO 1461)
Deze buiskoppeling is thermisch verzinkt volgens ISO 1461. Bij dit proces wordt de koppeling ondergedompeld in vloeibaar zink, waardoor een sterke en duurzame beschermlaag ontstaat. De zinklaag beschermt tegen corrosie en maakt de buiskoppeling uitstekend geschikt voor buitentoepassingen en langdurig gebruik onder wisselende weersomstandigheden.
Kwaliteit
Hoewel deze specifirke buiskoppeling (nog) niet TÜV gecertificeerd is, wordt deze wel geproduceerd volgens dezelfde strenge productienormen. Hierdoor biedt ook deze koppeling een sterke en betrouwbare verbinding tussen steigerbuizen. Voor vrijwel alle gangbare constructies zijn deze koppelingen ruim voldoende belastbaar en veilig in gebruik.
Meer weten over onze buiskoppelingen? Lees onze blog Alles over buiskoppelingen.
Ook bekend onder artikelnummer:
28OC (Type)
A161B (Tubeclamps NL)
A161-B (Tubeclamps int.)
CA40G25 (Fast Clamp)
A45-6 (Kee Klamp)