De buiskoppeling Kruisstuk 90° met verloop wordt gebruikt om twee steigerbuizen van verschillende diameter haaks (90°) met elkaar te verbinden. Beide buizen blijven daarbij doorlopend en kruisen elkaar zonder onderbreking, wat zorgt voor minder zaagkosten en behoud van constructieve sterkte.
Deze uitvoering wordt toegepast wanneer twee buismaten elkaar kruisen binnen één constructie, bijvoorbeeld bij stellingkasten, frames en hek- of relingwerken waar een maatovergang nodig is.
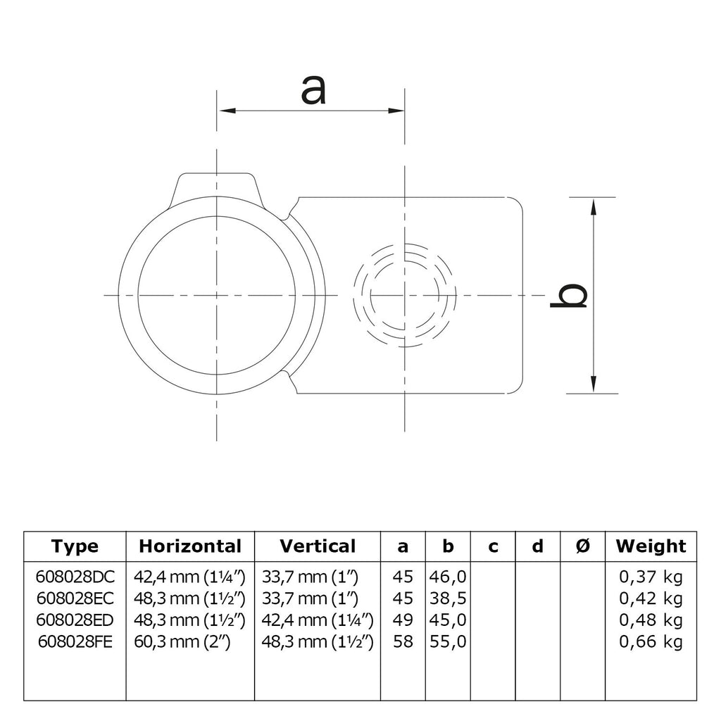
Bij deze uitvoering wordt een haakse verbinding gemaakt tussen een buis van 33,7 mm en een buis van 42,4 mm.
Afwerking: thermisch verzinkt (ISO 1461)
Deze buiskoppeling is thermisch verzinkt volgens ISO 1461. Bij dit proces wordt de koppeling ondergedompeld in vloeibaar zink, waardoor een sterke en duurzame beschermlaag ontstaat. De zinklaag beschermt tegen corrosie en maakt de buiskoppeling uitstekend geschikt voor buitentoepassingen en langdurig gebruik onder wisselende weersomstandigheden.
Montage met stelschroef
Onze buiskoppelingen worden gemonteerd door de stelschroef (standaard inbegrepen) vast te draaien tegen de buis. Dankzij dit slimme klemsysteem ontstaat een veilige, slipvrije verbinding tussen buis en koppeling met een maximale schuifbelasting tot wel 900 kg. Met slechts een inbussleutel zet je de steigerbuis eenvoudig en stevig vast. Handvast aandraaien is al voldoende (gebruik je een momentsleutel, stel deze dan in op maximaal 39 Nm), gebruik wel de juiste maat inbussleutel om beschadiging van de kop te voorkomen. De juiste inbussleutels bestel je eenvoudig mee.
Welke maat buiskoppeling heb je nodig?
De maat die bij een buiskoppeling vermeld staat, verwijst altijd naar de buitendiameter van de buis waarvoor deze geschikt is. De koppeling zelf is bewust iets ruimer geproduceerd, zodat ook buizen met kleine productietoleranties perfect passen. Door het stelschroefsysteem wordt de buis stevig geklemd en ontstaat een sterke en betrouwbare constructie.
Materiaal en productienorm
Wij kiezen voor kwaliteit en daarom worden onze buiskoppelingen gemaakt van hoogwaardig nodulair gietijzer volgens EN 1562 en materiaalsoort KTH350-10. Dit type gietijzer staat bekend om zijn hoge treksterkte en slagvastheid, waardoor het uitstekend geschikt is voor dragende constructies. In tegenstelling tot standaard staal biedt nodulair gietijzer een optimale combinatie van sterkte, duurzaamheid en maatvastheid. Hierdoor zijn onze steigerbuis koppelingen geschikt voor zowel lichte als zware toepassingen.
TÜV gecertificeerd
Deze buiskoppeling is TÜV SÜD gecertificeerd. Dit onafhankelijke keurmerk bevestigt dat het product voldoet aan strenge internationale kwaliteits- en veiligheidseisen. Het certificaat geeft inzicht in de maximale buigbelasting (bending load) en treklast (tensile load), uitgedrukt in kiloNewton (kN). Zo weet je exact welke krachten deze verbinding veilig kan opnemen. Meer weten over onze steigerbuis buiskoppelingen? Lees dan de blog Alles over buiskoppelingen.
Vergelijkbare artikelnummers:
Dit product is vergelijkbaar met of een alternatief voor de volgende artikelnummers:
- 28DC (Type)
- T-161B/C (Tubeclamps)
- 161-BC (Tubeclamps Ltd.)
- C40G25-32 (Fast Clamp)
- 161-B34/C42 (Interclamp)
- 45-76 (Kee Klamp)