Leuningdrager om trapleuningen, relingen en constructies aan wanden of andere vlakke ondergronden te bevestigen. Deze koppeling is ook geschikt om spandoekframes aan muren te bevestigen.
Montage met stelschroef
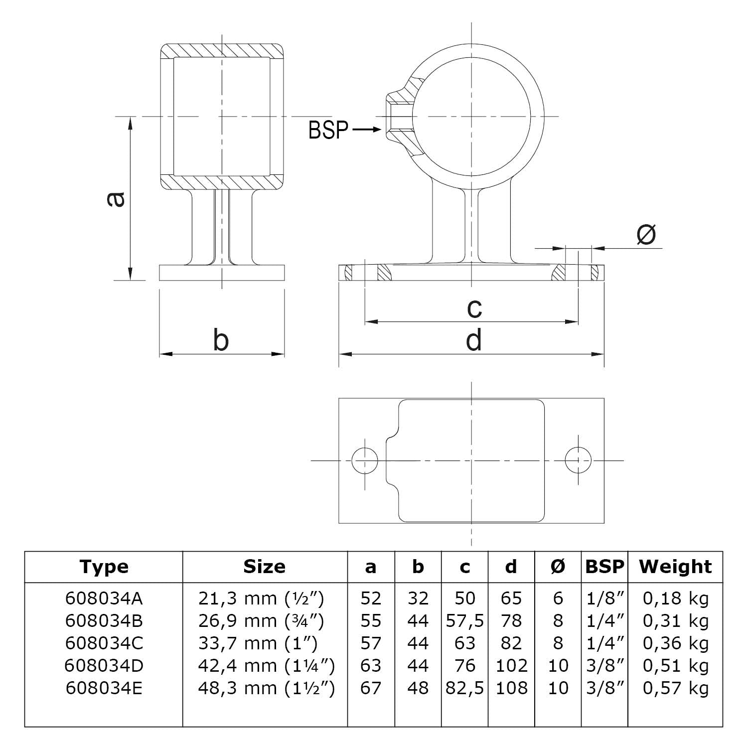
De meegeleverde stelschroef (inbusbout) maakt montage gemakkelijk. Hierdoor is een inbussleutel het enige gereedschap dat nodig is om de buizen stevig in de koppeling vast te zetten. Stevig met de hand aandraaien is voldoende (gebruik je een momentsleutel, stel deze dan in op 39 Nm). Zorg er altijd voor dat je de juiste maat inbussleutel gebruikt, anders zal de stelschroef beschadigen. Inbussleutels zijn mee te bestellen op onze website.
Kwaliteit
Alle buiskoppelingen worden naar strenge normen geproduceerd. De koppelingen worden gegalvaniseerd wat roest tegen gaat en de kwaliteit langer waarborgt. Door het verzinken zijn de buiskoppelingen geschikt voor buiten.
Deze koppeling is TÜV gecertificeerd. Het TÜV keurmerk is een extra bevestiging dat dit product voldoet aan kwaliteitseisen, veilig en milieuverantwoord is. Het TÜV certificaat toont ook aan wat de maximale buig- en treklasten zijn voor de buiskoppelingen, uitgedrukt in kiloNewton.
Meer vragen over de buiskoppeling? Kijk dan in de blog 'Alles over buiskoppelingen' voor meer info.
Zoekwoord(en): Montagestuk, Montagekoppeling, Montageplaat, Wandplaat, Muurbeugel, Bevestigingsbeugel, Bevestiging plaat, Leuning drager, roedehouder, gordijnroede, roede, roedebevestiging, pijpbeugel, Wandsteun
Ook bekend met nummer:
34C (Type)
143B (Tubeclamps NL)
143-B (Tubeclamps int.)
C16G25 (Fast Clamp)
70-6 (Kee Klamp)